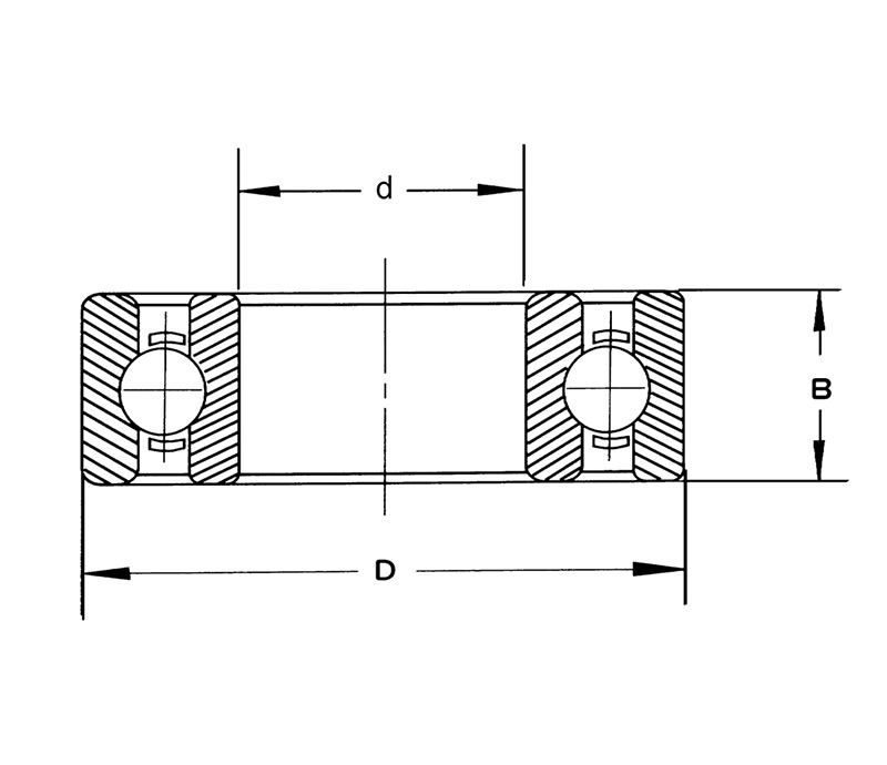
Deep Groove Ball Bearing
Back
Detailed Information
Bearing no. inside
|
diameter(mm) outside
|
diameter(mm)
|
width (mm)
|
|
d
|
D
|
B
|
6000
|
10
|
26
|
8
|
6001
|
12
|
28
|
8
|
6002
|
15
|
32
|
9
|
6003
|
17
|
35
|
10
|
6004
|
20
|
42
|
12
|
6005
|
25
|
47
|
12
|
6006
|
30
|
55
|
13
|
6007
|
35
|
62
|
14
|
6008
|
40
|
68
|
15
|
6009
|
45
|
75
|
16
|
6010
|
50
|
80
|
16
|
6200
|
10
|
30
|
9
|
6201
|
12
|
32
|
10
|
6202
|
15
|
35
|
11
|
6203
|
17
|
40
|
12
|
6204
|
20
|
47
|
14
|
6205
|
25
|
52
|
15
|
6206
|
30
|
62
|
16
|
6207
|
35
|
72
|
17
|
6208
|
40
|
80
|
18
|
6209
|
45
|
85
|
19
|
6210
|
50
|
90
|
20
|
6300
|
10
|
35
|
11
|
6301
|
12
|
37
|
12
|
6302
|
15
|
42
|
13
|
6303
|
17
|
47
|
14
|
6304
|
20
|
52
|
15
|
6305
|
25
|
62
|
17
|
6306
|
30
|
72
|
19
|
6307
|
35
|
80
|
21
|
6308
|
40
|
90
|
23
|
6309
|
45
|
100
|
25
|
6310
|
50
|
110
|
27
|
16001
|
12
|
28
|
7
|
16002
|
15
|
32
|
8
|
16003
|
17
|
35
|
8
|
16004
|
20
|
42
|
8
|
16005
|
25
|
47
|
8
|
16006
|
30
|
55
|
9
|
16007
|
35
|
62
|
9
|
16008
|
40
|
68
|
9
|
16009
|
45
|
75
|
10
|
16010
|
50
|
80
|
10
|